1,850
4
1
Kartlegging av lys med dimmer og vendebryter
3
0
Ønsker å kartlegge eksisterende opplegg for lys i entreen som har dimmer ved inngangen og trappebryter i etasjen over.

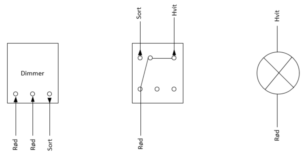
Dette er fargene på ledningene som kommer inn og ut av dimmer, bryter og lampe. Men jeg får ikke dette helt til å stemme med koblingsskjemaet til Elko for en slik konfigurasjon:

Kan dette stemme? :


Dette er fargene på ledningene som kommer inn og ut av dimmer, bryter og lampe. Men jeg får ikke dette helt til å stemme med koblingsskjemaet til Elko for en slik konfigurasjon:

Kan dette stemme? :

Det vil ikke fungere sånn du har tegnet opp.
Mellom dimmer og bryter skal det gå 2 ledninger.
L-leder skal enten inn på L på endevender og ut til lampe fra dimmetegn på dimmer eller
Inn på dimmetegn på dimmer og ut til lampe fra L på endevender.
Ofte er det koblingsbokser underveis, hvor ting er koblet sammen.
det kan være i selve takpunktet, det kan være en boks oppe ved taket med lokk over, eller det kan være bokser som ikke er synlig (skal være synlig, men noen ganger kler noen smarte sjeler over dem)
hvis du ser opp i takboksen, der lampa sitter, er du helt sikker på at de røde fra dimmerene ikke er koblet sammen med hvit og sort fra bryteren oppe?
uansett, hvorfor prøver du og finne ut av dette? fungerer det ikke i dag?
Takk for godt innspill. Grunnen til at jeg vil finne ut av dette, er at jeg ønsker å styre dette fra en trådløs sentral; Z-Wave. For å avgjøre om dette er mulig med det oppsettet som er, eller om noe må trekkes om, må jeg finne ut av dette.
Takk for svar. Jeg tror jeg må rote litt i bokser for å finne ut av dette. Det ser veldig ut som om man skifter farge på ledere underveis her.