4,338
2
0
Dimme 230Vac Halogen på bad + trappefunskjon ?...
2
0
Dimme 230Vac Halogen på bad m/ trappefunskjon (endevender / vekselvender)?...
Har sett på det "beste" alternativet :
Micromatic 2-polt dimmer :http://www.elhandel.no/catalog/product_info.php?cPath=28_3&products_id=1472255
+
Slavedimmer/ impulsbryter.
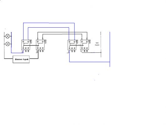
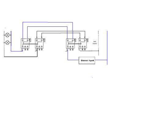
Lurte på om dette blir lovlig på bad (se vedlegg).
Tenker selv at å bryte på primærsiden på dimmer er bra (dimmer til venstre i tegningene) bryte på sekundærside ikke så bra (dimmer til høyre på tegningene. Er det krav at også dimmer skal være 2-polt når bryterene er det ?
Ser at Micromatic løsningen er best, men at det kan være noen penger å spare ved å se på andre løsninger.
Hva mener dere ?
Og ikke minst : hva er lov og ikke lov ?
Har sett på det "beste" alternativet :
Micromatic 2-polt dimmer :http://www.elhandel.no/catalog/product_info.php?cPath=28_3&products_id=1472255
+
Slavedimmer/ impulsbryter.
Lurte på om dette blir lovlig på bad (se vedlegg).
Tenker selv at å bryte på primærsiden på dimmer er bra (dimmer til venstre i tegningene) bryte på sekundærside ikke så bra (dimmer til høyre på tegningene. Er det krav at også dimmer skal være 2-polt når bryterene er det ?
Ser at Micromatic løsningen er best, men at det kan være noen penger å spare ved å se på andre løsninger.
Hva mener dere ?
Og ikke minst : hva er lov og ikke lov ?




Her er et lite utdrag fra montørhåndboka:
Alt utstyr i baderom, untatt SELV-utstyr der sikkerhets-strømkilden ikke er tilgjengelig fra baderommet, skal ha all-polige betjeningsbryter. Termostater og annet utsyr kan ha enpolt driftsbryter, men da må det også monteres en allpolig bryter mer eller mindre direkte før eller etter den enpolte bryteren. Å planlegge en installasjon der det benyttes "seriekoblete" brytere er en løsning som i utgangspunktet ikke anbefales,...
Elko har jo også denne kombi rammen med en 2-polet bryter og en dimmer i en påveggsboks. Har sett den mye brukt ved oppussing dog alltid plassert utenfor badet.
Visst du kan plassere bryterene dine utenfor sone 2 og har 2-polet brudd før eller etter dimmeren (som på tegningene) har du vel fulgt forskriften, selv om det ikke anbefales..