381
3
0
Rehab av eldre hus med eksisterande golv slynger. Nokon som har innvendig til skissert ide og material liste ?
10
0
Hei
Skal rehabilitere eit hus med eksisterande golvvarme slynger. Fyrer i dag med ved. Har tenkt å gå for Bosch Compress 7000 luft/vatn.
Har lyst å unngå buffertank (8000,-) for holde kosten ned. Bosch skriv sjølv at det er enklare og rimeligare installasjon å ikkje ha buffertank.
Ein slepp i tillegg vekselventil og termostatventil, samt rør og følerar. + arbeid..
Kjem ikkje til å ha noko fancy trådløse termostatar. Kun ein romtermostat (CR10) til tusen lappen. Plasserar denne i det største oppholdsrommet. Justerar ned alle returane på fordelinga, bortsett frå bad, kjøkken og gjestedo.
Utedelen vil eg plassere 20 meter frå huset. Legg fram isolert 26mm alu-pex.(evt. 32 mm) Dette skal ifølge Bosch gå fint.
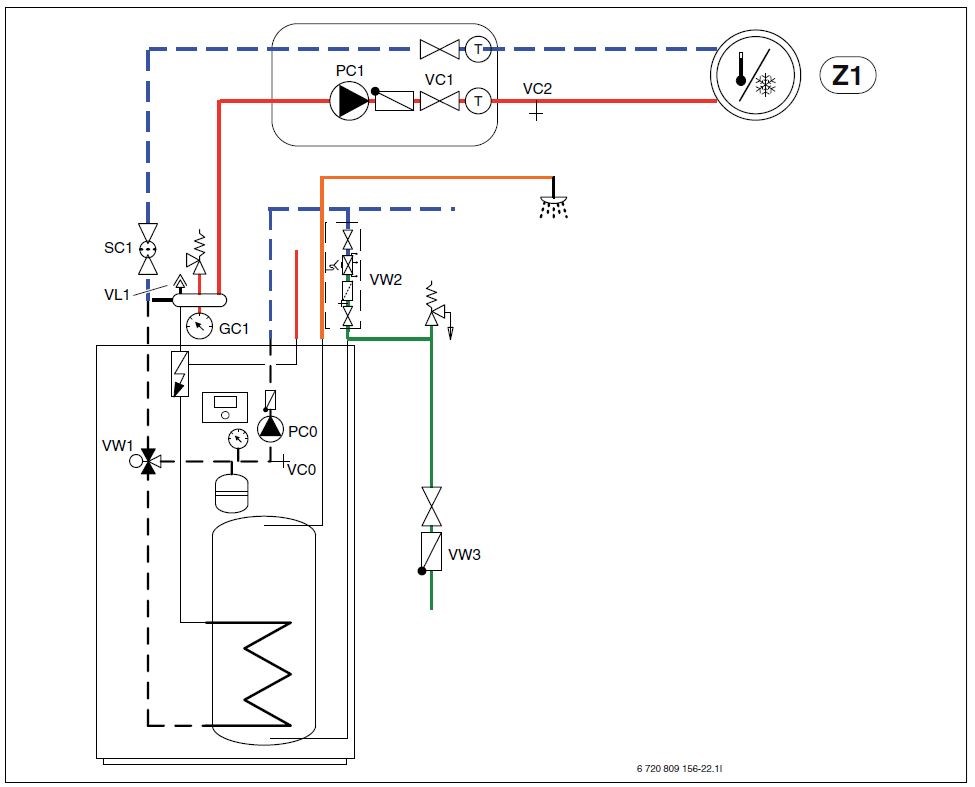
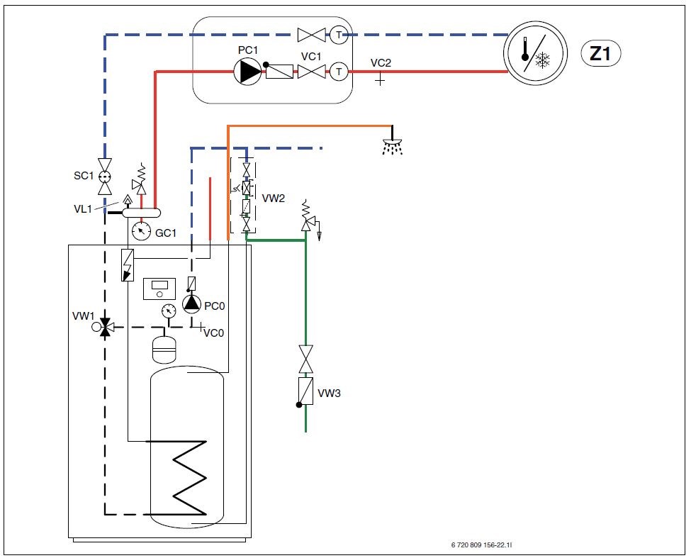
Vil bygge etter systemskisse under. (første bilde)
Er det nokon som har noko innvendigar til ideen over og deleliste under? (helst kritiske)
VARMEPUMPE:
1 stk Bosch Compress 7000I AW-9 (ytterdel)
1 stk Bosch Compress 7000I AWM-9 (innderdel)
VARMEANLEGG: (uten shunt og derfor uten buffertank)
1 stk ROTH GULVVARMEFORDELER 12 M/FLOWMÅLER
https://onnshop.onninen.com/no/NRF/Varme-%2C-gass--og-kj%C3%B8lemateriell/ROTH-GULVVARMEFORDELER-12-M-FLOWM%C3%85LER/p/GDI151
1 stk 1" ROTH FORDELERSETT 90° med 2stk kuleventiler
https://onnshop.onninen.com/no/VVS/8-Varmeprodukter/Roth-gulvvarmer%C3%B8r-og-deler/1%22-ROTH-FORDELERSETT-90%C2%B0%26nbsp%3B-med-2stk-kuleventiler/p/CCM105
1 stk 1" CIM 33 CREA TILBAKESLAGSVENTIL, AVSINK.FRI, TYPE SPRINT
https://onnshop.onninen.com/no/NRF/Kobberr%C3%B8r%2C-r%C3%B8rdeler%2C-pressfittings-og-ventiler/1%22-TILBAKESLAGSVENTIL%2C-AVSINK-FRI%2C-TYPE-SPRINT-CIM-33/p/GDF269
1 stk 1" ROTH ENDESTYKKESETT (2 STK) 17401973.828 ROTH
https://onnshop.onninen.com/no/NRF/Varme-%2C-gass--og-kj%C3%B8lemateriell/ROTH-ENDESTYKKESETT-1-%282-STK%29-17401973-828-ROTH/p/GDI240
1 stk 1" SLAMUTSKILLER ZEPARO CYCLONE Dirt ZCD 25 Iso 228 gjenge
https://onnshop.onninen.com/no/NRF/Varme-%2C-gass--og-kj%C3%B8lemateriell/SLAMUTSKILLER-ZEPARO-CYCLONE-1%22-Dirt-ZCD-25-Iso-228-gjenge/p/CCE279
1 stk Automatisk luftepotte. Har eg liggande.
1 stk WILO STRATOS PICO 25/1-6 STRATOS PICO 25/1-6
https://onnshop.onninen.com/no/NRF/Pumper-og-tilbeh%C3%B8r%2C-trykktanker/WILO-STRATOS-PICO-25-1-6-STRATOS-PICO-25-1-6/p/GDC918




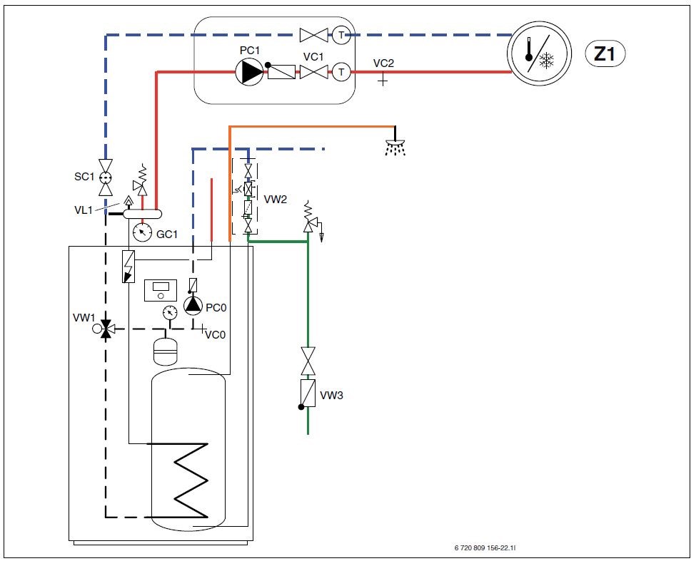
Skal rehabilitere eit hus med eksisterande golvvarme slynger. Fyrer i dag med ved. Har tenkt å gå for Bosch Compress 7000 luft/vatn.
Har lyst å unngå buffertank (8000,-) for holde kosten ned. Bosch skriv sjølv at det er enklare og rimeligare installasjon å ikkje ha buffertank.
Ein slepp i tillegg vekselventil og termostatventil, samt rør og følerar. + arbeid..
Kjem ikkje til å ha noko fancy trådløse termostatar. Kun ein romtermostat (CR10) til tusen lappen. Plasserar denne i det største oppholdsrommet. Justerar ned alle returane på fordelinga, bortsett frå bad, kjøkken og gjestedo.
Utedelen vil eg plassere 20 meter frå huset. Legg fram isolert 26mm alu-pex.(evt. 32 mm) Dette skal ifølge Bosch gå fint.
Vil bygge etter systemskisse under. (første bilde)
Er det nokon som har noko innvendigar til ideen over og deleliste under? (helst kritiske)
VARMEPUMPE:
1 stk Bosch Compress 7000I AW-9 (ytterdel)
1 stk Bosch Compress 7000I AWM-9 (innderdel)
VARMEANLEGG: (uten shunt og derfor uten buffertank)
1 stk ROTH GULVVARMEFORDELER 12 M/FLOWMÅLER
https://onnshop.onninen.com/no/NRF/Varme-%2C-gass--og-kj%C3%B8lemateriell/ROTH-GULVVARMEFORDELER-12-M-FLOWM%C3%85LER/p/GDI151
1 stk 1" ROTH FORDELERSETT 90° med 2stk kuleventiler
https://onnshop.onninen.com/no/VVS/8-Varmeprodukter/Roth-gulvvarmer%C3%B8r-og-deler/1%22-ROTH-FORDELERSETT-90%C2%B0%26nbsp%3B-med-2stk-kuleventiler/p/CCM105
1 stk 1" CIM 33 CREA TILBAKESLAGSVENTIL, AVSINK.FRI, TYPE SPRINT
https://onnshop.onninen.com/no/NRF/Kobberr%C3%B8r%2C-r%C3%B8rdeler%2C-pressfittings-og-ventiler/1%22-TILBAKESLAGSVENTIL%2C-AVSINK-FRI%2C-TYPE-SPRINT-CIM-33/p/GDF269
1 stk 1" ROTH ENDESTYKKESETT (2 STK) 17401973.828 ROTH
https://onnshop.onninen.com/no/NRF/Varme-%2C-gass--og-kj%C3%B8lemateriell/ROTH-ENDESTYKKESETT-1-%282-STK%29-17401973-828-ROTH/p/GDI240
1 stk 1" SLAMUTSKILLER ZEPARO CYCLONE Dirt ZCD 25 Iso 228 gjenge
https://onnshop.onninen.com/no/NRF/Varme-%2C-gass--og-kj%C3%B8lemateriell/SLAMUTSKILLER-ZEPARO-CYCLONE-1%22-Dirt-ZCD-25-Iso-228-gjenge/p/CCE279
1 stk Automatisk luftepotte. Har eg liggande.
1 stk WILO STRATOS PICO 25/1-6 STRATOS PICO 25/1-6
https://onnshop.onninen.com/no/NRF/Pumper-og-tilbeh%C3%B8r%2C-trykktanker/WILO-STRATOS-PICO-25-1-6-STRATOS-PICO-25-1-6/p/GDC918





Planen var at pumpa skulle gå før og etter pris-stigning. Det einaste minuset som eg ser er avriming.
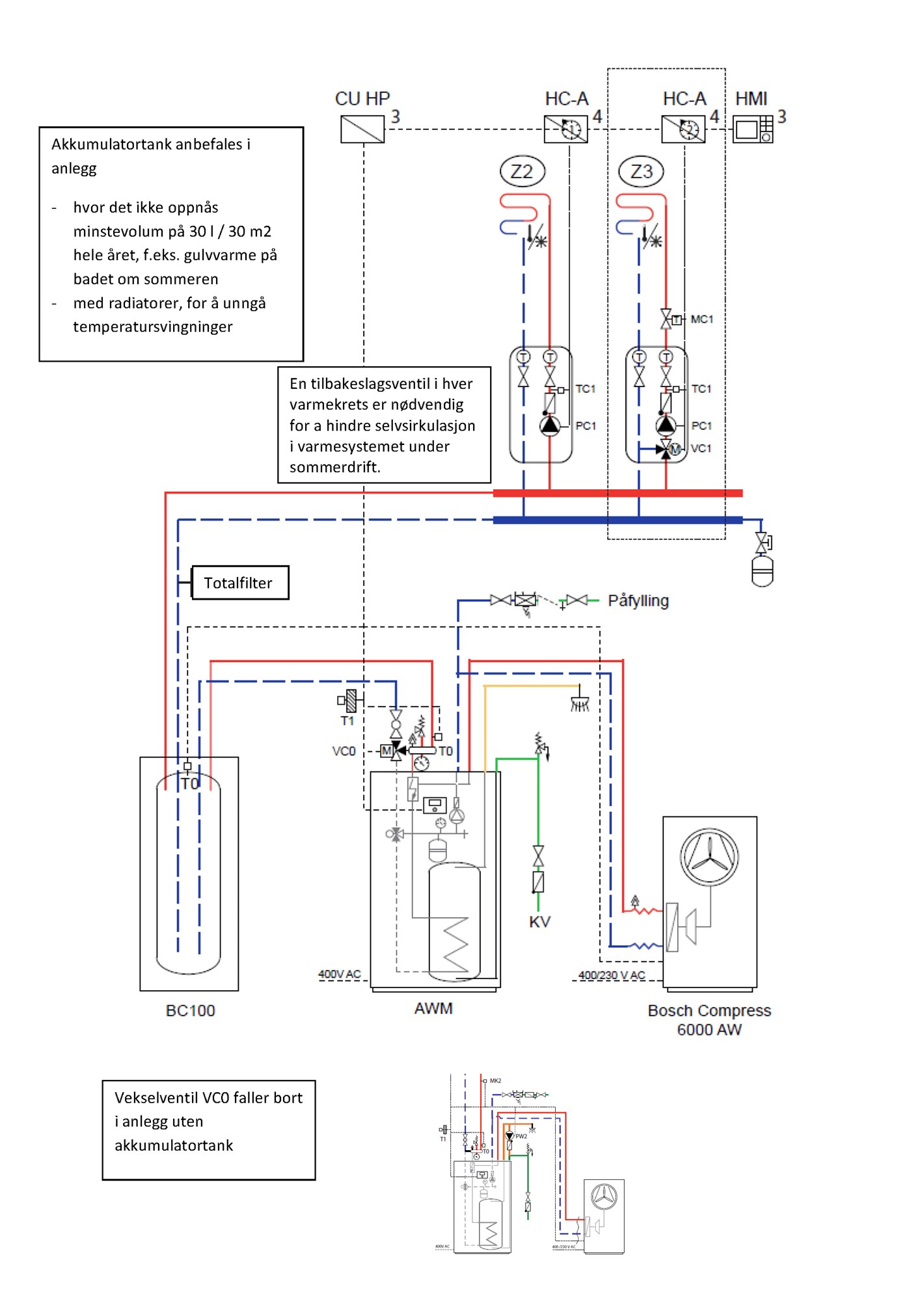
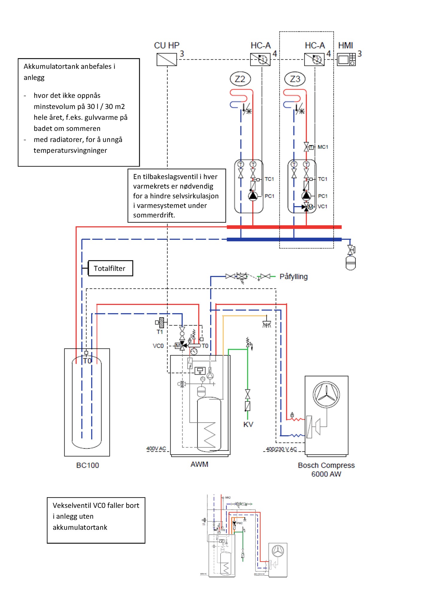
Slik det er no så fyrer vi med ved. Har ingen varmtvannstank. Kun det som er på kjelen. Dvs. at vi må fyre i på sommaren. Uansett om det er 30 grader ute! Positive er straumrekninga som er lik 3-400 kr pr. mnd frå mai til aug. Det er nok sol-innstråling til å dekke varmebehovet.
Har satt av plass til buffer/akkumulator/arbeids tank. Eg prøvar i første omgang og så får eg heller bygge om.
I neste veke(veke 51) så kjem 7000 serien for luft/vatn til Bosch. COP(7/35) på 5,09 og A++ energimerking. Spennande!