Snakker om begrepsforvirring! Det virker jo som om den er for Xenon-lys, det er vel de som pleier å ha ballaster. Men uansett kan jeg jo egentlig bare snakke med SG direkte om hva de vil anbefale, jeg har ringt dem om et par andre ting, og de har ikke vært det minste vrange, selv om jeg er sluttbruker. Jeg må bare huske å legge opp et ekstra trekkerør inn til "hovedboksen", der jeg har tenkt å plassere selve dimmeren, så jeg han føre inn 0-10V-kabelen. Igjen takk!
Men hey, vent litt nå! Det har vært en lang dag her, så nå går det i surr.
Eltako SDS61/1-10V har 0-10 volt UTGANG, ikke inngang. Den fungerer på samme måte som Nexa M-SPOTT 1-10.
SDS61/1-10V har 1-10V utgang og er ment til å styre elektroniske ballaster som lysrør og lignende. Du kan ikke bruke denne sammen med Nexa M-SPOTT 1-10V. Begge to har samme funksjon.
Nexa M-SPOTT 1-10 styres av Nexa telegrammer, og leverer 0-10V ut. Eltako SDS61/1-10V styres av impulsbryterer, og leverer 0-10V ut.
MicroMatic Uniled+ 350 0-10V styres av 0-10V inngang, og leverer regulert 230V ut til belysning.
Eltako sin 0-10V dimmer heter LUD12-230V, som kan benyttes sammen med inntil 200W COB LED.
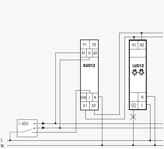
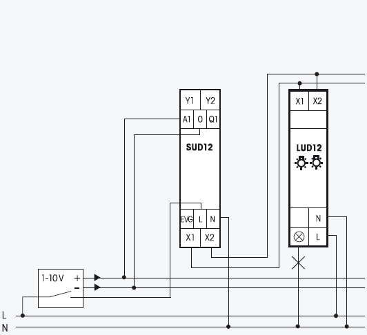
Eltako LUD12 kan ikke styres direkte med 0-10V, du må bruke Eltako SUD12 som konverter mellom Nexa modulen og LUD12 dimmeren. Fra SUD12 kan du koble til flere LUD12 dimmere, slik at du kan dimme over 200W belysning.
Koblingen blir da: Nexa M-SPOTT -> Eltako SUD12 -> Eltako LUD12
Oi, det begynner å bli virkelig avansert... Og det var ikke deg jeg mente surret, det var Eltako. Jeg har bare ikke vært borti uttrykket "ballast" om annet enn Xenon-moduler. For meg har omformere til lysrør alltid hatt navnet "drossel".
Men den Eltako LUD12 var veldig interessant, for den kunne jo ifølge speksene dimme 100 watt per stykk (uansett type last, virker det som, bortsett fra at den selvsagt kan dimme 400 watt med vanlige pærer). Det vil si at hver av dem takler 14 Junistar Gyro! Og til en pris av 40 euro for SUD og 50 for LUD på Amazon er jo alt i boks. Jeg skal en tur til Danmark i ferien, så jeg kan bestille poste restante og slippe masse ekstrabetaling til tante Siv. Igjen takk!
Jeg har aldri sett nærmere på det fordi det bruker feil frekvens. Jeg har en dullion ting som bruker standarfrekvensen for automatisering, 433.33 mHz, styrt av RFXtrx og Tellstick som backup, men Xcomfort har vel i sin visdom funnet ut at de heller vil være et eller annet sted i 800. Og det støttes ikke av noen av de programmene jeg bruker på automatiseringsserveren min.
Jeg ser forresten at Eiko skryter av at " Vi har testet 12 stk 7,5w på CMR-101 uten antydning til overbelastning. " Så kan det være at verdien som står på Nexaen er altfor konservativ?
Skulle kanskje skrevet litt tidligere på denne tråden, men man rekker ikke alt i disse ferietider... Sakset det over, siden det var jeg... Jan på Elby... som skrev dette.. ikke Eiko... det er det en av våre pærer som heter.. Ja, CMR-101 er en veldig anvendelig sak, men hva den tåler er veldig avhengig av forkobling på Led pæren man benytter... vi har testet 12x7,5W Eiko, og 14x5W Sharp.. begge GU10... uten varmgang... på alle dimmenivåer...og denne konstellasjonen har våre kunder benyttet nå i to år, så da fungerer det over tid.. Alle våre Infinity pærer fra lumens, fungerer også med CMR-101, også 7W og 5W lavtbyggende, men med litt mindre belastning... men vesentlig over det Nexa oppgir..
Signatur
Skrev i 10 år om led belysning og gulvvarme for elby, skriver fra 01.01.2020 kun som privatperson .
Husk at produktdatablader og anvisninger fra produsent er det absolutt øverste regelverk i elektroverden. Installerer man effekter som er større enn hva produsenten opplyser som maks belastning så har man svært lite å stille opp med når noe går galt... Det er helt greit at man eksperimenterer med hvilke produkter som fungerer sammen, når det ikke finnes god nok dokumentasjon på dette. Når det gjelder effektbelastning bør man enkelt og greit respektere det produsenten opplyser og ikke overprøve dette. Det finnes så mange produkter på markedet at man kan helt fint finne andre løsninger, i stedet for å presse rimeligere produkter til å prestere mer enn hva produsenten har oppgitt som maks belastning.
Du om det eydybedal, vi andre vet at i Led verden under utvikling, så rekker ikke leverandørene å teste alle eventualiteter... at Nexa utvikler en fase avsnitt dimmer, som har mye større kapasitet for de pærene som dimmes med fase snitt, kommer bare oss andre til gode...
Signatur
Skrev i 10 år om led belysning og gulvvarme for elby, skriver fra 01.01.2020 kun som privatperson .
Eltako SDS61/1-10V har 0-10 volt UTGANG, ikke inngang. Den fungerer på samme måte som Nexa M-SPOTT 1-10.
SDS61/1-10V har 1-10V utgang og er ment til å styre elektroniske ballaster som lysrør og lignende. Du kan ikke bruke denne sammen med Nexa M-SPOTT 1-10V. Begge to har samme funksjon.
Nexa M-SPOTT 1-10 styres av Nexa telegrammer, og leverer 0-10V ut.
Eltako SDS61/1-10V styres av impulsbryterer, og leverer 0-10V ut.
MicroMatic Uniled+ 350 0-10V styres av 0-10V inngang, og leverer regulert 230V ut til belysning.
Eltako LUD12 kan ikke styres direkte med 0-10V, du må bruke Eltako SUD12 som konverter mellom Nexa modulen og LUD12 dimmeren. Fra SUD12 kan du koble til flere LUD12 dimmere, slik at du kan dimme over 200W belysning.
Koblingen blir da:
Nexa M-SPOTT -> Eltako SUD12 -> Eltako LUD12
Men den Eltako LUD12 var veldig interessant, for den kunne jo ifølge speksene dimme 100 watt per stykk (uansett type last, virker det som, bortsett fra at den selvsagt kan dimme 400 watt med vanlige pærer). Det vil si at hver av dem takler 14 Junistar Gyro! Og til en pris av 40 euro for SUD og 50 for LUD på Amazon er jo alt i boks. Jeg skal en tur til Danmark i ferien, så jeg kan bestille poste restante og slippe masse ekstrabetaling til tante Siv. Igjen takk!
men man rekker ikke alt i disse ferietider...
Sakset det over, siden det var jeg... Jan på Elby... som skrev dette.. ikke Eiko...
det er det en av våre pærer som heter..
Ja, CMR-101 er en veldig anvendelig sak, men hva den tåler er veldig avhengig
av forkobling på Led pæren man benytter... vi har testet 12x7,5W Eiko, og
14x5W Sharp.. begge GU10... uten varmgang... på alle dimmenivåer...og denne
konstellasjonen har våre kunder benyttet nå i to år, så da fungerer det over tid..
Alle våre Infinity pærer fra lumens, fungerer også med CMR-101, også 7W og 5W
lavtbyggende, men med litt mindre belastning... men vesentlig over det Nexa oppgir..
så rekker ikke leverandørene å teste alle eventualiteter... at Nexa
utvikler en fase avsnitt dimmer, som har mye større kapasitet for
de pærene som dimmes med fase snitt, kommer bare oss andre til
gode...